
在新能源汽车800V高压平台、数据中心800V(±400V)HVDC架构、1000V +光伏储能系统及高端医疗设备等高端需求市场,电子元器件的“极致可靠性”与“自主可控”已成为制造业国产突围的核心点。风华高科在国内首家推出AS系列车规高精密厚膜片式电阻,以材料与工艺的双重创新,实现从“跟跑”到“领跑”的技术跨越,为我国高端电子产业链筑牢关键安全屏障。
技术破局:攻克行业顽疾,打破垄断
长期以来,高电压精密采样领域深陷“双重困境”:薄膜电阻易受瞬时电气过载失效、水汽入侵引发电腐蚀;普通厚膜电阻则面临硫化失效、银迁移等致命痛点,高端产品长期被国外垄断,国内供应链“供给受限、成本高企”。
风华高科AS系列电阻以三大核心创新实现破局:
其一,采用高纯度氧化铝基板搭配特殊优化电阻浆料,结合创新烧结工艺与精密激光调阻技术,将温度系数(TCR)精准控制在 ±25ppm/℃的业界领先水平,阻值精度稳定在±0.1%,1000小时双85试验阻值变化率收窄至 ±0.2%R以内;
其二,叠加专属抗硫化专利技术,耐硫化能力提升至1000h,同步攻克银迁移难题,电压系数较普通厚膜电阻大幅优化,彻底根除高电压场景下 “失效风险高、稳定性差” 的行业痛点;
其三,严格遵循AEC-Q200车规级可靠性认证,符合零缺陷质量管理要求,成为国内首家实现该类产品规模化量产的企业,实现本土化规模供应,助力关键元器件自主可控。具体如下图所示:

场景赋能:聚焦战略赛道,托举高端制造升级
AS系列精准锚定五大核心领域,赋能高端装备升级:

新能源汽车领域:为BMS电池管理系统电压采样、车载充电机(OBC)、电驱控制器提供精准支撑,让高电压检测精度与稳定性实现双重提升,直接助力800V高压平台整车续航与安全性能升级;
数据中心:当算力的尽头指向电力,AI服务器的性能跃升对供电系统发起了终极考验。面对高电压、高精度、极低温漂及耐环境腐蚀等严苛需求,AS系列产品凭借卓越的性能表现与极致的可靠性,成为支撑AI算力的不二之选。
光伏储能领域:适配逆变器MPPT、风电变流器、1000V +储能系统电压采样,在户外潮湿、电化学腐蚀等恶劣环境下依旧保持卓越稳定性,为新能源发电效率提升保驾护航;
工业自动化领域:赋能母线电压检测、PLC模块、变频器电压检测等关键设备,以高抗扰、高精度特性推动工业智能化进程;
医疗设备领域:为CT机、X光机等高压发生器提供稳定保障,加速高端医疗设备国产化替代步伐。
每一颗AS系列电阻,都是高端制造 “毛细血管” 中的关键节点,其性能稳定性直接决定下游装备的性能上限与安全底线。
应用场景示例:
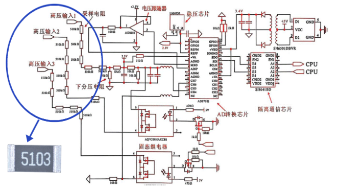
下图是典型的汽车BMS的高压检测电路,单机15颗1206、510kΩ、±25ppm/℃、±0.1%高精密厚膜电阻协同工作,让高压检测精度与稳定性实现双重提升。

风华担当:以自主创新推动中国电子元器件“高端突围”
如今,AS系列车规电阻的规模化应用,正助力推动我国从“电子元器件大国”向“电子元器件强国”迈进,为数据中心、新能源、医疗等高端产业提供国产化方案。
接下来,风华高科将深入践行FAITH经营理念,持续加大研发投入,不断创新技术,在关键材料、核心工艺和先进产品等领域实现自主可控,推动中国电子元器件产业向高端化、智能化、国际化迈进,为加快建设科技强国贡献风华力量。(史富娟)